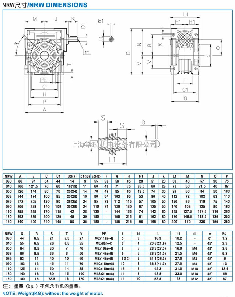
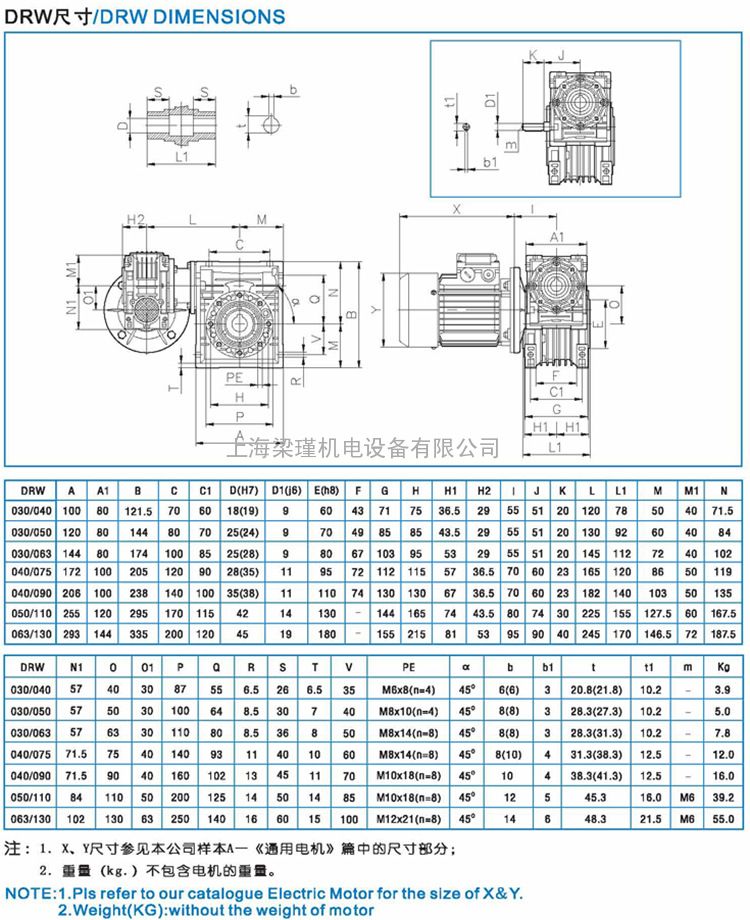
- ZIK紫光中研紫光DRW双级蜗轮蜗杆减速机生产DRW090/050
详细信息
品牌:ZIK紫光 加工定制:是 类别:蜗杆减速机 型号:DRW090/050 齿轮类型:蜗轮蜗杆 安装形式:卧式 布局形式:三环式 齿面硬度:软齿面 用途:减速机 输入转速:1400 rpm 额电功率:0.37 kw 输出转速范围:6 rpm 许用扭矩:231 N.m 使用范围:自动化流水线 级数:双级 减速比:225 中研紫光DRW双级蜗轮蜗杆减速机生产
中研紫光DRW双级蜗轮蜗杆减速机生产--上海梁瑾机电设备有限公司,紫光减速机自进入市场以来,深受广大新老客户的信赖和认可,其特点噪音低,扭力大,轻量化,产品规格型号齐全,交货及时.同时生产直销紫光变频电机,变频刹车电机,UD无极变速机,RC SC FC KC四大系列硬齿面减速机,紫光涡轮减速机等产品。
中研紫光DRW双级蜗轮蜗杆减速机生产企业规模
企业目前员工450多名,占地面积30.8亩,并已申请新增用地150余亩。为市级百强重点工业企业、纳税大户、工商AAA信用企业、市名牌产品。
产业定位
我们专注于机电行业,聚焦工业制造领域。产品只是公司发展的一个载体,我们将持续关注市场需求,开拓值得开发的新兴业务;新兴业务的拓展应该充分体现产业关联性、先进性;在持续开拓新兴业务的同时,启动老业务的主动退出机制,以期将资源限度集中在优越产业上。
中研紫光DRW双级蜗轮蜗杆减速机生产动力传动事业部产品:(使用“紫光”商标)
1.电机:通用电机、制动电机。
2.机械无级变速器:UD系列机械无级变速器。
3.蜗杆减速机:RW系列蜗杆减速机。
4.硬齿面齿轮减速机:R系列、F系列、S系列、K系列、HB系列硬齿面减速机。
自动化事业部产品:(使用“AUTOFAST”商标)
1.自动化仓库系统:包括自动化仓库用堆垛机设计制造、自动化仓库用工控电器系统设计制造、自动化仓库管理理软件WMS及设备配套接口程序ECS开发。
2.激光导引自动小车(AGV):包括激光制导无人搬运小车、系统控制器、系统管理软件。
3.工业自动化生产线:各种自动化装配线、自动化生产线、专用机床等等。
中研紫光DRW双级蜗轮蜗杆减速机生产原景使命
以前瞻意识持续推动优化与创新,缔造机电行业受尊重的和谐企业。
核心价值观
责任:我们认为先有责任而后才有权力,承担责任既是一种资格也是一种荣誉;我们对员工负责,我们对客户负责,我们对社会负责。
紫光减速机结构特点:
--优质铝合金铸造箱体,适应全方位的安装配置;
--充分的冷却筋条,使机体具有优良的热传导性能;
--从025--150共10种机座规格;传递功率范围从60W--15KW;
--速比范围大,每单个机座具有从5:1到100:1的12种减速比;
--精密磨削加工的硬齿面传动蜗杆,效率高、输出扭距大;
--低噪声平稳运转,能适合在恶劣的环境中长期连续工作;
--重量轻,机械强度高;
--模块化组合使PCRW及DRW将RW减速机的传动比拓展到:i=5--32000.
紫光减速机优点: RW蜗轮蜗杆减速机系按Q/MDl-2000技术质量标准设计制造。 产品在符合按国家标准GBl0085-88圆柱蜗轮蜗杆参数基础之上,吸取国内外新科技,独具新颖一格的“方箱型”外形结构,箱体外形美观,以优质铝合金压铸而成,具有以下优势性能:
1、机械结构紧凑、体积外形轻巧、小型效率高;
2、热交换性能好,散热快;
3、安装简易、灵活轻捷、性能优越、易于维护检修;
4、运行平稳、噪音小,经久耐用;
5、适用性强、安全可靠性大。
中研紫光减速机目前已很广的应用于各类行业生产工艺装备的机械减速装置,深受用户的好评,是目前现代工业装备实现大扭矩,大速比低噪音、高稳定机械减速传动控制装置的选择。
安装
1.蜗杆转速一般情况下小于1500 r/min。
2.安装应避免任何振动,保持平稳。
3.安装之前,应复核其输入功率、转速及输出轴扭矩与铭牌相符,并检查减速器输出轴的旋转方向,并与工作机一致。
4.对于减速器输出轴的安装,应保证轴向**无约束并能相对于减速器轴向移动。
5.各种与减速器输出端相联接的零部件(滑轮、齿轮、联轴器、轴等)可采用螺纹孔或其它方式联接,以确保组件正确运行。润滑面应避免接触和防止氧化。
6.安装后用手转动轴, 必须保证灵活、无卡滞现象。
7.起动应逐渐加载,避免过大的冲击载荷, 并保证转动平稳、无噪声、不松动、无漏油等。
在减速机输出端(蜗轮)施加力矩带动输入端(蜗杆)的传递过程即为减速机的逆向传动。减速机在逆向传动时所表现的特性即为蜗杆减速机的传动可逆性。在使用过程中必须关注选定减速机的这种特性。
减速机的传动可逆性与减速的效率有关,对应于静态效率ηS及动态效率ηd。将减速机的传的传动可逆特性描述如下:
ηS〈0.5:静力不可逆。即减速机在静止状态时,不能通过向输出蜗轮施加力矩带动输入蜗杆,逆向传动自锁。
ηS=0.5-0.55:低静力可逆。即减速机在静止状态时,可以通过向输出蜗轮施加力矩带动输入蜗杆,自锁性不强。
ηS>0.5:静力可逆。即减速机在静止状态时,可以通过向输出蜗轮施加力矩带动输入蜗杆,不能自锁。
ηd<0.5:动力不可逆。即减速机在传动过程中,输入轴脱开动力时,输出轴即能立即停止
-
-
产品搜索
-
产品分类
-
高压鼓风机
-
防爆鼓风机
-
漩涡式气泵
-
双段式漩涡气泵
-
双段式高压鼓风机
-
单相鼓风机
-
工业行业专用高压风机
-
漩涡鼓风机
-
全风环形鼓风机
-
全风CX透浦式风机
-
全风TB透浦式鼓风机
-
全风HTB多段式鼓风机
-
PF直叶式鼓风机
-
耐高温鼓风机
-
防腐蚀鼓风机
-
离心式鼓风机
-
变频鼓风机
-
低噪音鼓风机
-
再生风机
-
FUJI日本富士鼓风机
-
高压风机专用释压阀
-
高压风机专用过滤器
-
高压风机专用消音器
-
zik中研紫光电机
-
zik中研紫光减速机
-
中研紫光UD无级变速机
-
中研紫光硬齿面减速机
-
精密防爆减速机
-
精密齿轮减速电机
-
TWT东炜庭微型马达
-
RV蜗轮减速机
-
FUKUTA富田电机
-
fuji富士冷却泵
-
中国臺灣宏豐送風機
-
精密行星减速机
-
DARGANG达纲高压鼓风机
-
韩国亚隆冷却泵
-
利明减速电机
-
HITACHI日立高压风机
-
AirMac电宝鼓风机
-
NASH佶缔纳士真空泵
-
空气悬浮高速鼓风机
-
扫一扫,手机浏览



































