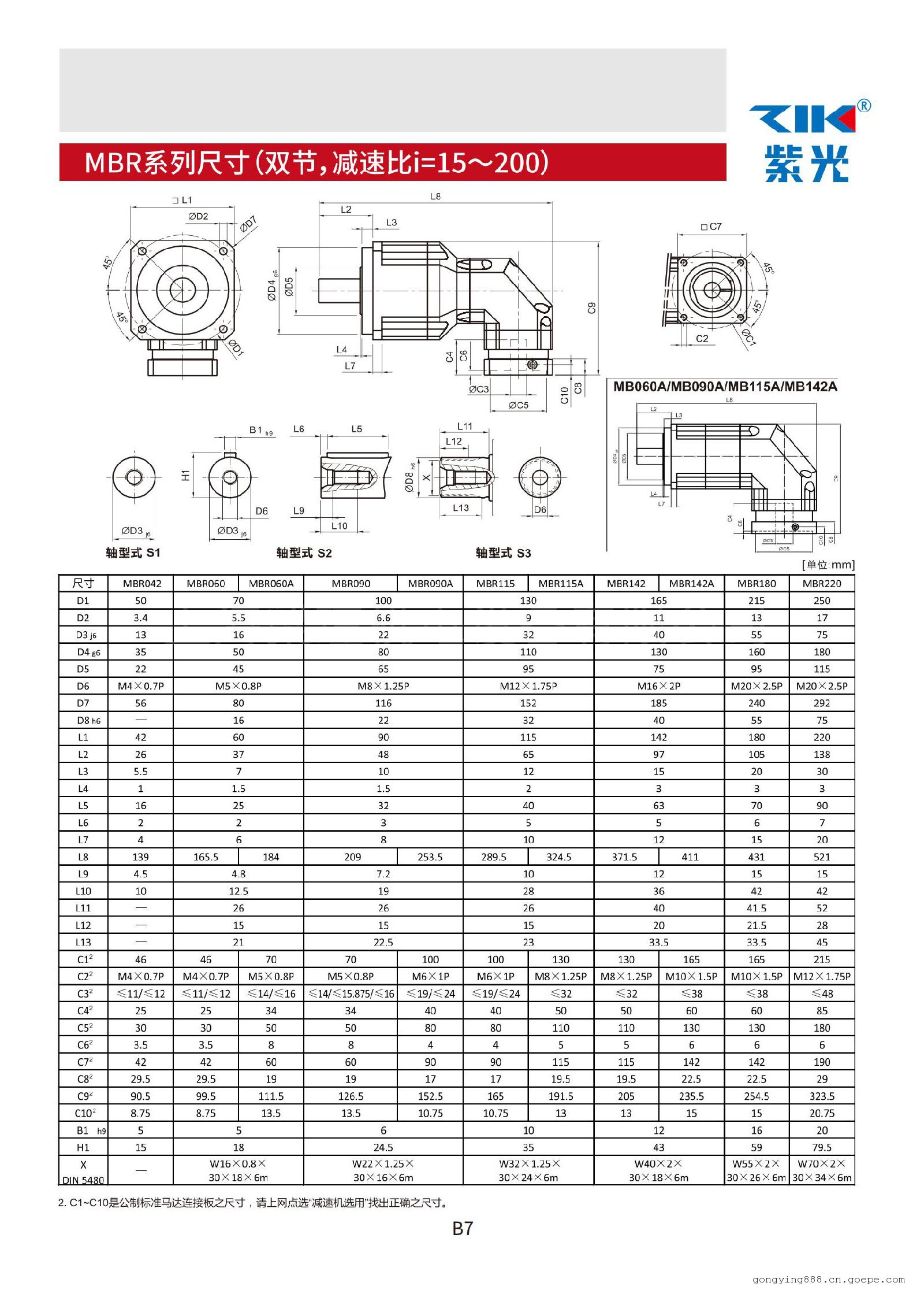
- ZIK紫光精密行星减速机 自动化设备配套减速头MD090-5-P1
详细信息
品牌:ZIK紫光 加工定制:否 类别:行星减速机 型号:MD090-5-P1 齿轮类型:斜齿轮减速机 安装形式:立式 布局形式:同轴式 齿面硬度:软齿面 输入转速:2000 rpm 额电功率:0.75 kw 输出转速范围:400 rpm 许用扭矩:2 N.m 使用范围:自动化设备配套等行业 级数:单级 减速比:5 精密行星减速机 自动化设备配套减速头
精密行星减速机 自动化设备配套减速头-上海梁瑾机电设备有限公司,紫光行星减速机自进入市场以来,深受广大新老用户的信赖和支持,减速机规格多种,可根据客户提供的伺服电机尺寸图订制非标产品,了解更多紫光行星减速机产品相关信息,请致电我们!
中研紫光行星减速机特点:
1.可靠精密:直角齿轮箱通过小扭矩间隙和高扭转刚度、保证了传动装置的定位精密以及机器设备的精度。
2.经久耐用:直角齿轮箱标准配置的长度补偿轴能够程度的保证伺服电机在高度运转中的工作寿命。
3.多样化的安装方式:润滑脂润滑能够实现安装位置的多样化。这使得齿轮箱非常灵活,即可垂直,又水平安装,输出口可向下或向上。
4.快速供货:对于经济型产品线,即使是大数量的订单,我们在供货时间和运输可靠性方面也有了新的标准。
中研紫光行星减速机概述:
级数:行星齿轮的套数。由于一套行星齿轮无法满足较大的传动比,有时需要2套或者3套来满足用户较大的传动比的要求.由于增加了行星齿轮的数量,所以2级或3级减速机的长度会有所增加,效率会有所下降。回程间隙:将输出端固定,输入端顺时针和逆时针方向旋转,使输入端产生额定扭矩+-2%扭矩时,减速机输入端有一个微小的角位移,此角位移就是回程间隙.单位是"分",就是一度的六十分之一.也有人称之为背隙。行星减速机是一种工业产品,行星减速机是一种传达机构,其结构由一个内齿环紧密结合於齿箱壳体上,环齿中心有一个自外部动力所驱动之太阳齿轮,介於两者之间有一组由三颗齿轮等分组合於托盘上之行星齿轮组,该组行星齿轮依靠著出力轴、内齿环及太阳齿支撑浮游於期间;当入力侧动力驱动太阳齿时,可带动行星齿轮自转,并依循著内齿环之轨迹沿著中心公转,行星之旋转带动连结於托盘之出力轴输出动力。利用齿轮的速度转换器,将电机(马达)的回转数减速到所要的回转数,并得到较大转矩的机构。在用于传递动力与运动的减速机机构中,行星减速机属精密型减速机,减速比可精确到0.1转-0.5转/分钟。
行星减速机工作原理:
由一个内齿环(A)紧密结合於齿箱壳体上,环齿中心有一个自外部动力所驱动之太阳齿轮(B),介於两者之间有一组由三颗齿轮等分组合於托盘上之行星齿轮组(C)该组行星齿轮依靠著出力轴、内齿环及太阳齿支撑浮游於期间;行星减速机当入力侧动力驱动太阳齿时,可带动行星齿轮自转,并依循著内齿环之轨迹沿著中心公转,游星之旋转带动连结於托盘之出力轴输出动力。
精密伺服行星减速机产品介绍:
行星齿轮减速机重量轻、体积小、传动比范围大、效率高、运转平稳、噪声低适应性强等特点。减速机广泛应用于冶金、矿山、起重运输、电力、能源、建筑建材、轻工、交通等工业部门。 -
-
产品搜索
-
产品分类
-
高压鼓风机
-
防爆鼓风机
-
漩涡式气泵
-
双段式漩涡气泵
-
双段式高压鼓风机
-
单相鼓风机
-
工业行业专用高压风机
-
漩涡鼓风机
-
全风环形鼓风机
-
全风CX透浦式风机
-
全风TB透浦式鼓风机
-
全风HTB多段式鼓风机
-
PF直叶式鼓风机
-
耐高温鼓风机
-
防腐蚀鼓风机
-
离心式鼓风机
-
变频鼓风机
-
低噪音鼓风机
-
再生风机
-
FUJI日本富士鼓风机
-
高压风机专用释压阀
-
高压风机专用过滤器
-
高压风机专用消音器
-
zik中研紫光电机
-
zik中研紫光减速机
-
中研紫光UD无级变速机
-
中研紫光硬齿面减速机
-
精密防爆减速机
-
精密齿轮减速电机
-
TWT东炜庭微型马达
-
RV蜗轮减速机
-
FUKUTA富田电机
-
fuji富士冷却泵
-
中国臺灣宏豐送風機
-
精密行星减速机
-
DARGANG达纲高压鼓风机
-
韩国亚隆冷却泵
-
利明减速电机
-
HITACHI日立高压风机
-
AirMac电宝鼓风机
-
NASH佶缔纳士真空泵
-
空气悬浮高速鼓风机
-
扫一扫,手机浏览














































